U盘的品牌有很多,U盘的比较常见的就是usb3.0跟usb2.0的U盘,那么usb3.0U盘跟usb2.0的U盘有什么区别呢?速度怎么样?
现在的U盘容量越来越大,对U盘的传输速度也有较高的要求,usb3.0U盘就是为了更高速传输而出现的,你知道usb3.0U盘与usb2.0U盘的速度差距有多大吗?
1、从usb接口的外观上看,USB2.0通常是白色或黑色,而USB3.0则是的蓝色接口。

U盘图解详情-1
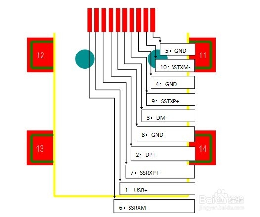
2、从USB插口引脚上来看,USB2.0采用4针脚设计,而USB3.0则采取9针脚设计,相比而言USB3.0功能更强大。

usb2.0图解详情-2
3、从USB公口的外观上来看,USB3.0接口部分标记有“SS”样式,USB2.0则只标记普通的USB通用标识。

usb2.0图解详情-3
4、另外在电脑的接口处也有分usb3.0和usb2.0接口,usb3.0的U盘插在usb3.0的接口才能充分发挥其作用。

usb2.0图解详情-4
5、usb3.0与usb2.0的传输速度有很大的差距,理论值:USB 3.0的传输速度是4.8Gbps,是USB 2.0的10倍。即4.8Gbps=600MB/S。

usb3.0图解详情-5
……